Salamander SL 76
Nessun limite al vostro gusto personale ed alla vostra creatività nella realizzazione delle vostre finestre.
Il moderno design arrotondato, si inserisce perfettamente e con assoluta armonia negli stili architettonici contemporanei.
Lo stile Round-line® è un’ottima combinazione tra estetica e tecnologia innovativa.
Grazie agli elevati standard qualitativi, si garantiscono profili ad alto isolamento, in grado di soddisfare tutte le esigenze sia a livello estetico che tecnico.
Per questo il sistema in PVC a 5 Camere non è solo sinonimo di design italiano all'avanguardia, ma anche sinonimo di garanzia e sicurezza sia nell'edilizia abitativa privata che industriale.
Le caratteristiche tecniche:
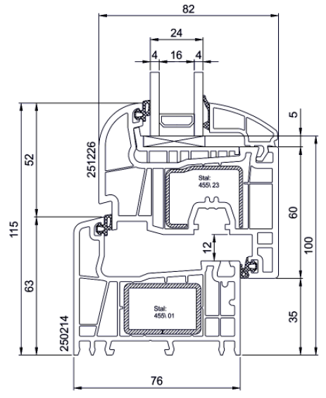
- profondità telaio di 76 mm e profondità anta 82 mm
- proprietà di isolamento termico delle combinazioni standard valore Uf = 1,3 W/m²K
- spessore vetri fino a 48 mm
- isolamento acustico fino a 45 dB (fino alla IV classe di protezione acustica)
- 4 varianti di design (a gradino classica e tonda semi-complanare sfaccettata e tonda)
- estetica Soft-line e Round-line®
- ferma-vetro di design per l’interno
- possibilità di drenaggio nascosto
- sistema a 5 camere come combinazione standard
- sistema di guarnizioni perimetrale in battuta nel telaio e nell'anta
- l’utilizzo di apposita ferramenta di sicurezza assicura una protezione anti-effrazione ottimale
- saldatura invisibile V-PERFECT l'eccellenza brevettata nelle saldature.






