Pathio PSK
Le porte
Pathio PSK
sono un’alternativa interessante alle porta-finestre che permettono sia lo scorrimento che l’inclinazione dell’anta. Lo scorrimento dell'anta è possibile grazie ad un meccanismo speciale della ferramenta, l’anta fuoriesce verso l’interno (anta ribalta), perpendicolarmente alla superficie della finestra e poi si sposta verso un lato grazie a delle speciali guide di scorrimento.
Grazie alla maniglia in alluminio ergonomica, le porte possono essere facilmente aperte o chiuse con una sola mano. I carrelli permettono il posizionamento preciso e senza sforzo dalla posizione a ribalta alla posizione aperta (scorrevole) e viceversa. La struttura è composta da due ante, di cui una è attiva e l’altra è composta dal vetro fisso.
Le porte Pathio PSK
sono realizzabili con tutti i sistemi in PVC della nostra offerta, peso massimo dell’anta attiva 200 kg, un’anta attiva e l’altra passiva, scorrimento fluido dell’anta attiva, possibilità di montaggio della maniglia con chiave.
Le dimensioni massime delle ante sono di m. 1,6 x 2,4 m. di altezza (singola anta pathio), la larghezza massima di tutta la struttura è di 3,2 m.
Le caratteristiche tecniche:
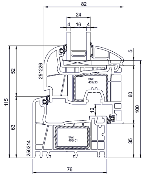
- profondità telaio di 76 mm e profondità anta 82 mm
- proprietà di isolamento termico delle combinazioni standard valore Uf = 1,3 W/m²K
- spessore vetri fino a 48 mm
- isolamento acustico fino a 45 dB (fino alla IV classe di protezione acustica)
- 4 varianti di design (a gradino classica e tonda semi-complanare sfaccettata e tonda)
- estetica Soft-line e Round-line®
- ferma-vetro di design per l’interno
- possibilità di drenaggio nascosto
- sistema a 5 camere come combinazione standard
- sistema di guarnizioni perimetrale in battuta nel telaio e nell'anta
- l’utilizzo di apposita ferramenta di sicurezza assicura una protezione anti-effrazione ottimale.
- saldatura invisibile V-PERFECT






