Pathio PSK
The
Pathio PSK doors are an interesting alternative to the French doors that allow both the sliding and the inclination of the door. The sliding of the door is possible thanks to a special mechanism of the hardware, the door comes out inwards (tilting door), perpendicular to the surface of the window and then moves to one side thanks to special sliding guides.
Thanks to the ergonomic aluminum handle, the doors can easily be opened or closed with one hand. The trolleys allow precise and effortless positioning from the folding position to the open (sliding) position and vice versa. The structure consists of two doors, one of which is active and the other is composed of fixed glass.
The technical features:
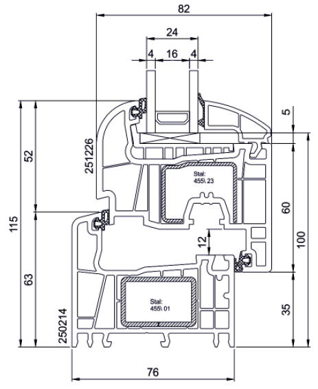
- frame depth of 76 mm and door depth 82 mm
- thermal insulation properties of the standard combinations Uf value = 1.2 W / m²K
- glass thickness up to 48 mm
- acoustic insulation up to 45 dB (up to the 4th class of sound protection)
- 4 design variants (classic step and round semi-coplanar faceted and round)
- Soft-line and Round-line® aesthetics
- glass stops for interior design
- possibility of hidden drainage
- 5-chamber frame system as a standard combination
- system of perimeter seals in abutment in the frame and in the door
- the use of special security hardware ensures optimal burglary protection
- invisible welding V-PERFECT





